35KV连体绝缘子采用环氧真空浇注一次成型,各种套管﹑触头盒﹑绝缘筒﹑钟形罩等系列产品绝大部分绝缘件采用APG工艺成型,有部分产品采用SMC﹑DMC不饱和聚脂增强模塑料压制成型。产品均使用在3.6~35KV中压开关柜上。对特殊要求的产品﹑规格尺寸需改进的可按用户要求设计制造。
1﹑海拔高度不超过1000米,高原型海拔高度不超过3000米;
2﹑环境温度在-10℃~+40℃之间,日平均温度不超过30℃;
3﹑相对温度日平均不大于95%,月相对温度平均值不超过90%;
4﹑周围空气没有明显的尘埃﹑烟﹑腐蚀性或可燃性气体﹑蒸气及盐雾的污染;
5﹑安装场所应无经常的振动和严重的颠簸;
6﹑产品均能在凝霜及Ⅱ级污秽条件下运行;
1﹑GB311.1-1997《高压输变电设备的绝缘配合》
2﹑GB/T7354-2003《局部放电装置》
3﹑DL/538-1993 《高压带电显示装置技术条件》
4﹑DL/T539-1993《户内交流高压开关柜和元部件凝霜及污秽试验技术条件》
5﹑JB/T10305-2001《3.6KV~40.5KV高压设备用户内有机材料支柱绝缘子条件》
6﹑GB/T16927.1-1997《高电压试验技术》
7﹑GB/T11022-1999《高压开关设备和控制设备标准的共用技术要求》
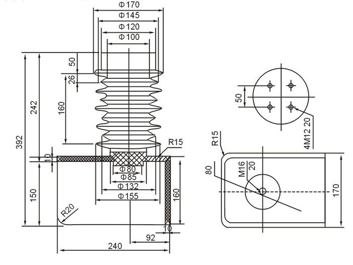
1﹑订购支柱绝缘子和传感器时,请提供产品型号﹑安装嵌件孔距﹑螺纹孔尺寸和产品高度;
2﹑订购穿墙套管请提供安装孔和母排孔尺寸;
3﹑订购绝缘筒和触头盒,请提供型号﹑额定电流;
4﹑用户如对产品外形尺寸或技术参数变动,订购时请加以特别说明,可根据要求进行设计﹑开发。

订购须知:本图片及其它信息权供参考用,如有变动不另行通知,购买前请来电详细咨询。
产品型号名称:35KV连体绝缘子
Links: