GC系列触头是在消化、吸收ABB产品技术的基础上,自行开发研制成功,替代进口同类产品的全部国产化产品。广泛应用于ZN63(VS1、VB1)等手车式断路器。其性能符合GB3906-1991<3~35KV交流金属封闭开关设备》的要求。GC5-4000A捆绑式触头用于高压真空断路器,中置柜,手车等一次导电.

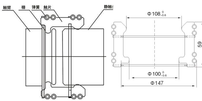
VS1、VD4西门子断路器及手车柜圆形捆绑式触头安装示意图
■环状弹簧压力均匀
■采用进口无磁不锈钢材料,避免涡流
■刷镀厚银,抗磨力强
■防变色处理,避免银层氧化脱落
■触头数目:84片
■静触头插入深度参考尺寸:34±2mm
订购须知:本图片及其它信息权供参考用,如有变动不另行通知,购买前请来电详细咨询。
产品型号名称:GC5-4000A捆绑式触头
Links: