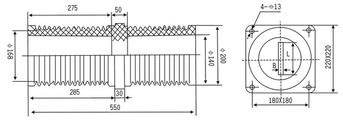
35KV套管(带屏蔽)为环氧树脂凝胶成型结构,外形结构尺寸大小为Φ200×550(180×180) mm、高550mm。主要适用于额定电压为35KV及以下的 户内成套设备中,作绝缘隔离和联接过度之用。套管耐污及潮湿,无需特别维护,只需定期地清理表面污质。安装时母排从孔内穿过。周围环境温度在+40℃~5℃之间;当空气温度+20℃时,相对湿度布超过85% 无严重影响触头盒绝缘的气体、蒸汽、灰尘及其它爆炸性和腐蚀介质的场所。
|
L
|
B
|
铜排根数
|
|
113
|
22
|
2
|
|
113
|
22
|
1
|
|
105
|
13
|
1
|
|
105
|
10.8
|
1
|

订购须知:本图片及其它信息权供参考用,如有变动不另行通知,购买前请来电详细咨询。
产品型号名称:35KV套管(带屏蔽)
Links: