当前位置: 首页 > 产品中心 > 穿墙套管

穿墙套管

TG3-10Q中置柜套管

穿墙套管
分享到:
此产品关键词:
TG3-10Q中置柜套管

TG3-10Q中置柜套管简介

 

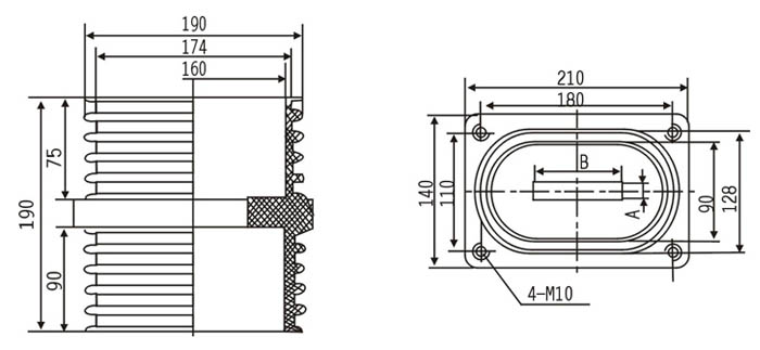
TG3-10Q中置柜套管为环氧树脂APG工艺压力凝胶成型结构,外形结构尺寸大小为128×210(110×180)mm、高190mm。主要适用于额定电压为10KV及以下的 户内成套设备中,作绝缘隔离和联接过度之用。套管耐污及潮湿,无需特别维护,只需定期地清理表面污质。安装时母排从孔内穿过。周围环境温度在+40℃~5℃之间;当空气温度+20℃时,相对湿度布超过85% 无严重影响触头盒绝缘的气体、蒸汽、灰尘及其它爆炸性和腐蚀介质的场所。

 

结构尺寸图

A
8
10
12
B
62
82
102

TG3-10Q中置柜套管的结构尺寸图 


订购须知:本图片及其它信息权供参考用,如有变动不另行通知,购买前请来电详细咨询。

产品型号名称:TG3-10Q中置柜套管