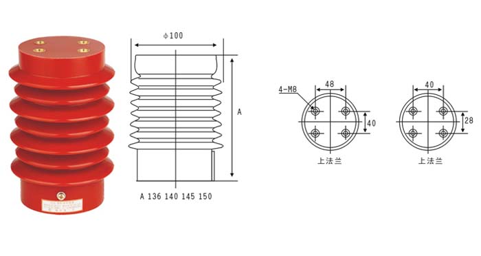
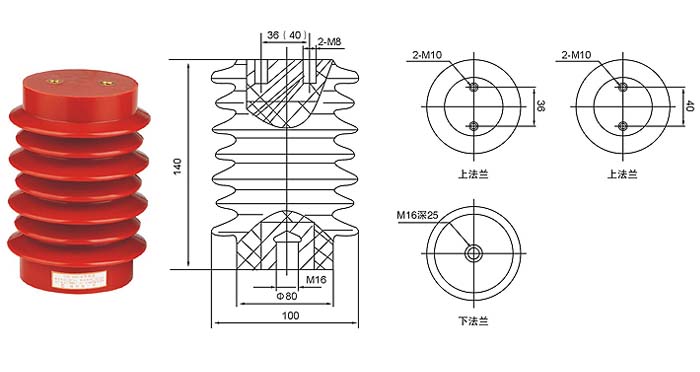
CG5-10Q高压带电传感器通过抽压电容芯棒,从高压带电回路中抽取一定的电压作为显示和闭锁的电源,用于反映装置设置处的带电状态,并能强制闭锁开关网门。电压指示和强制闭锁的工作,均受同一高压信号所控制,但电路系统又是相互独立的.只要高压回路带电,那么即使显示电路和闭锁电路同时出了故障,电磁锁仍处于闭锁状态。因此产品的防误闭锁可靠性大,安全度高。传感器全部按全工况要求设计,爬电距离满足技术要求.显示器外观新颖,电子元件全部进行筛选,组装精致。传感器为环氧树脂浇注支柱绝缘子式产品。可做为隔离开关,接地开关和其它支柱绝缘子使用,具有高强度,耐电弧能力强,局部放电量小等特点。
1、使用环境:温度 -25℃~+40℃,特殊地区不低于-35℃;海拔高度不超过1000M
2、大气条件:空气相对湿度日平均值不大于95%RH,月平均值不大于90%RH;水蒸气压力日 平均值不超过2.2KPa,月平均值不超过1.8KPa
3、环境条件:无明显污秽,无易燃、易爆,化学腐蚀和盐雾场所。
T型高压带电显示器:当高压端电压在额定相电压的15%~<65%(是指一次测额定电压为0.15~0.65时,起辉),显示灯开始分别指示高压端带电状况。
Q型高压带电显示器:该产品不仅具有T型高压带电显示器的全部功能,还可以达到:
1、 当三相高压母线中,任何一相电压在额定相电压65%~100%时(是指一次测额定电压为0.65~1.0时,闭锁)。
电子线路控制继电器输出接点J打开,处于强制闭锁状态。
2、 当三相均不带电,①二次电源正常,输出接点闭合,处于解锁状态;②二次电源断开,输出接点打开,处于保护闭锁状态,达到强制闭锁功能。

.jpg)
.jpg)
订购须知:本图片及其它信息权供参考用,如有变动不另行通知,购买前请来电详细咨询。
产品型号名称:CG5-10Q带电显示装置传感器
Links: