当前位置: 首页 > 产品中心 > 触头盒

触头盒

CH3-10Q触头盒

触头盒
分享到:
此产品关键词:
CH3-10Q触头盒

CH3-10Q触头盒简介

 

 

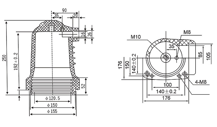
CH3-10Q触头盒结构采用环氧树脂,安装中心距离180mm,额定电流1250A。适用于各种手车式开关柜,起绝缘隔离和联接过渡作用。

 

CH3-10Q触头盒的结构图


订购须知:本图片及其它信息权供参考用,如有变动不另行通知,购买前请来电详细咨询。

产品型号名称:CH3-10Q触头盒