当前位置: 首页 > 产品中心 > 触头盒

触头盒

CH3-10Q中置柜触头盒

触头盒
分享到:
此产品关键词:
CH3-10Q中置柜触头盒

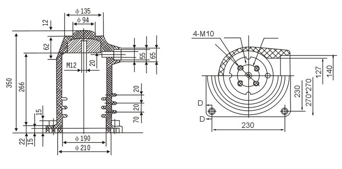
CH3-10Q中置柜触头盒的概述

 

 

CH3-10Q触头盒采用环氧树脂结构,用于各种手车式开关柜,起绝缘隔离和联接过渡作用。 安装中心距离为230mm,适用额定电压10KV,电流4000A。触头盒在额定电流下,长期工作下出线端部温升不超过65℃.

 

CH3-10Q中置柜触头盒的结构图纸


订购须知:本图片及其它信息权供参考用,如有变动不另行通知,购买前请来电详细咨询。

产品型号名称:CH3-10Q中置柜触头盒