FZN25-12D/630系列真空负荷开关及组合电器,适用于三相交流50Hz。10kV的配电系统中,具有无污染、无火灾及爆炸危险,能频繁操作等优点,可作为环网柜,箱式变电站等其他类型的开关柜的主元件,用于变压器,电缆,架空线路等电力设备的控制及保护,广泛用于工厂、住宅小区、高层建筑、学校、公园等配电系统中。
FZN25.FZRN25 型真空负荷开关和组合电器,使用三相交流50Hz环网或终端供电和工业用电设备中,作负荷控制和短路保护之用,负荷开关分合负荷,闭环电流,空载变压器和电缆充电电流.组合电器可以开断直至额定短路电流的任何电流.采用直动式隔离断口和真空弧室联动.具有手动和电动功能.
FZN25.FZRN25独特的传动结构设计,灭弧室仅在关合和开断的瞬间承受高压,故体积小,重量轻.
FZN25.FZRN25可实现隔离断口和灭弧室断口的依次性操作.
FZN25.FZRN25在静触头与动触头导电筒之间有与接地开关互为联动的接地活门,既保证了安全又方便了检修.
1、周围空气温度上限:+40度;下限:-25度;
2、海拔高度不超过1000m;
3、相对湿度日平均值不大于95%,月平均值不大于90%。
4、地震烈度不超过8度;
5、无火灾、爆炸危险,化学瘸蚀及据唰振动的场所;
6、污秽等级:Ⅱ级;
7、周围空气应不受腐蚀性或可燃性气体及水蒸汽等明显污染。



|
序号
|
项目
|
单位
|
参数
|
||
|
FZN25-12D/T630-20
|
FZRN25-12D/T125-31.5
|
||||
|
1
|
额定电压
|
KV
|
12
|
||
|
2
|
额定频率
|
HZ
|
50
|
||
|
3
|
额定电流
|
A
|
630
|
125
|
|
|
4
|
额定绝缘水平
|
1min工频耐压
|
KV
|
灭弧室断口30;对地.相间42;隔离断口48
|
|
|
雷电冲击耐压
|
KV
|
对地.相间75;隔离断口85
|
|||
|
5
|
额定动稳电流(峰值)
|
KA
|
50
|
-
|
|
|
6
|
4S热稳定电流
|
KA
|
20
|
-
|
|
|
7
|
额定有功负载开断电流
|
A
|
630
|
125
|
|
|
8
|
额定闭环开断电流
|
A
|
630
|
125
|
|
|
9
|
额定电缆充电开断电流
|
A
|
10
|
10
|
|
|
10
|
开断空载变压器容量
|
KVA
|
1250
|
1250
|
|
|
11
|
额定短路开断电流
|
KA
|
-
|
31.5
|
|
|
12
|
额定转移电流.额定交接电流
|
A
|
-
|
|
|
|
13
|
熔断器型号
|
|
-
|
|
|
|
14
|
撞击器输出能量
|
J
|
-
|
|
|
|
15
|
额定短路关合电流
|
KA
|
50
|
||
|
16
|
接地开关额定动稳定电流
|
KA
|
50
|
||
|
17
|
接地开关2S热稳定电流
|
KA
|
20
|
||
|
18
|
辅助回路额定电压
|
V
|
AC/CD220;110
|
||
|
19
|
机械寿命
|
次
|
10000
|
||
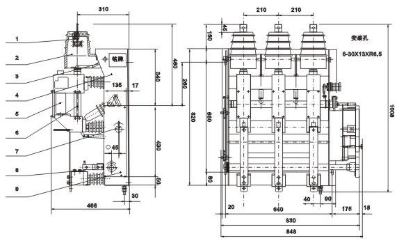
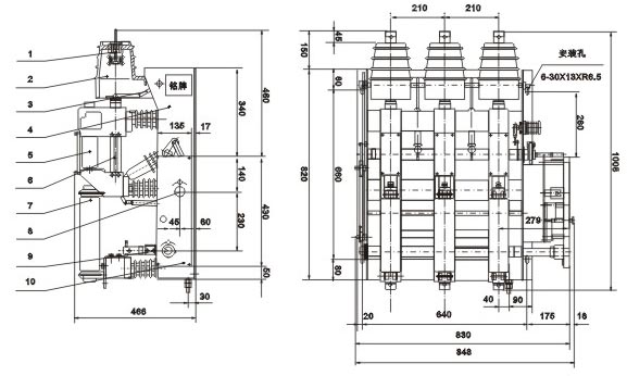
FZN25-12D/T630-20真空负荷开关外形及安装尺寸
订购须知:本图片及其它信息权供参考用,如有变动不另行通知,购买前请来电详细咨询。
产品型号名称:FZN25-12D/630真空负荷开关
Links: